Winky Lights Redux Project
Completed Winky Lights Redux Board
Tn1View - Winky Redux Schematic Tn2View - Winky Redux PCB Tn3View - Winky Redux Assembled
Name: Winky Redux with AVR
CPU: ATtiny85
Status: Completed and Tested.
Summary: This Redux of the Winky Lights Project uses differential coupled LEDs to maximize the number of LEDs per I/O line.
Specifications
Dimensions: 1.9" x 1.9"
Power: 3 to 5 VDC
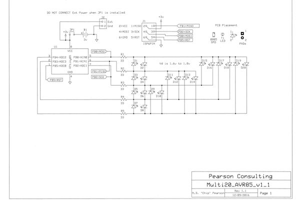
Schematics Winky Redux Schematic
Software Winky Lights Redux Project (StarNet)

Description

The Winky Lights Redux Project repeats the original PIC based design with an 8 pin AVR ATtiny85.

It uses 5 I/O lines to drive 20 LEDs using differential LED connections (Charlieplex). The code uses a display buffer and a position tranlator to simplify wiring. The basic pattern is stored in Flash and can be modified in the buffer for dynamic action.