Tank Bot Project
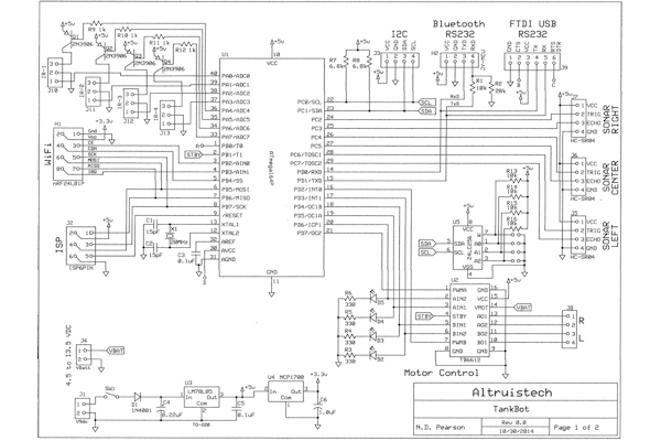
TankBot Schematic
Tn1View - TankBot Schematic Tn2View - TankBot board mechanical drawing Tn3View - TankBot bare PC board Tn4View - TankBot assembled PC board Tn5View - TankBot assembled for fit check
Name: Tank Bot
CPU: ATmega164P
Status: In Work.
Summary: The Tank Bot board is a general purpose DC brush motor mobile platform control board with sonar and IR distance sensors.

Specifications
Dimensions: 4.3" x 4.0"
Power: 9 VDC for CPU and sensors
4.5 to 14.5 VDC for motors

Description

The Tank Bot project is the starting point for a general mobile robot platform. It can be used as a main control board or as a slave to free up the main controller I/O.
By wiring the servo controls of an RC car controller through the board, it is a simple task to convert the car into a bot.

Features