RC Interface I2C Slave
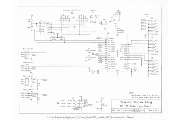
RC Interface Slave Schematic
Tn1View - RC Interface Schematic Tn3View - RC Interface Slave Assembled
Name: RC Interface I2C Slave Board
CPU: ATmega88A
Status: In Work.
Summary: The RC Interface I2C Slave is used to measure RC servo signals, Steering and Throttle, while the car is being driven. The data collected can then be matched with video for AI driving apps.

Specifications 8 MHz CPU, two Servo input lines, two Servo output lines, a Status LED, 12 general purpose I/O lines.
Dimensions: 1.9" x 2.5"
Power: 3.3 - 5 VDC from I2C bus
Software Project folder
Schematics RC Interface I2C Slave schematic
New Serial RC Interface Slave schematic
New Serial RC Interface Slave schematic w/ hardware PWM

Description

The RC Interface I2C Slave is designed to allow AI car drivers to use the standard car remote to drive with instead of using a game controller.
The I2C interface connects to either a 3.3v Raspberry Pi or a 5v Arduino board.
It uses an ATmega88 @ 20MHz, 5v to provide a hardware based I2C interface to a Raspberry Pi.
A I2C level translator is included to provide 3.3v I2C signals.
Three 4 pin I/O port headers provide access to unallocated pins of the processor.
Power is supplied through the I2C bus and is a max of 10ma with 5v.
There are jumper to control the use of the I2C terminators.
A status LED is also provided and can be controlled via an I2C command.

Features