LCD CDM-16100 Project
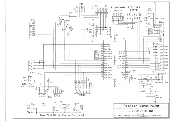
LCD_CDM-16100 Schematic
Tn1View - LCD CDM-16100 Schematic Tn3View - LCD CDM-16100 bare PC board Tn4View - LCD_CDM-16100 assembled PC board Tn5View - LCD_CDM-16100 assembled with display
Name: LCD CDM-16100
CPU: ATmega328P
Status: Completed and tested. LCD connection layout error.

Text formatting services added.

Schematic revised for next iteration.

Summary: The LCD CDM-16100 evaluation board was used to develop the 4bit and 8bit libraries for the CDM-16100 1x16 character LCD display modules.
It has also been used as a SumoBot control board.

Dimensions: 3.8" x 2.5"
Power: 9 VDC
Software: Test code
I2C Display slave C code

Description

The LCD CDM-16100 project was used to develop display driver libraries for the CDM-16100 1x16 character LCD display module.
This display uses a ST7066U controller chip.
Both 4bit and 8bit display interfaces are supported with a different library for each.

Features

This board has been successfully used with the SumoBot project.