Impact Monitor A Project
Impact Monitor A Schematic
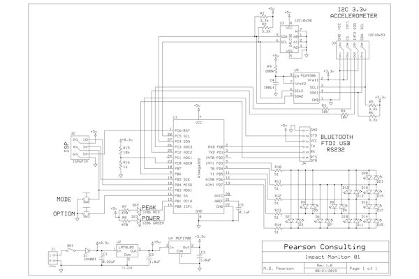
Tn1View - Impact Monitor A Schematic Tn2View - Impact Monitor board top w/ accessories Tn3View - Impact Monitor board back
Name: Impact Monitor A
CPU: ATmega328P
Status: In Work.
Summary: The Impact Monitor A board is a development board to interface to an ADXL345 3-axis accelerometer and display impact data on a bar graph. Additional options include a serial port to collect data over Serial/USB or Bluetooth.

Specifications
Dimensions: 3.8" x 2.5"
Power: 9 VDC
Software TBD

Description

The Impact Monitor board is designed to be a display and collector for an ADXL345 3-axis accelerometer. It includes a 3.3v voltage regulator and a 5v to 3.3v voltage translator chip for the I2C lines.
The board provides a bar graph display with Peak and Power indication and two control buttons.

Features

The board uses a 7-12v DC (9v DC typical) external supply for power.
The on-board regulators provides +5v DC for the master control board and 3.3v for the accelerometer.

3.3v to 5v I2C signal translator for interface to the ADXL345 accelerometer.