Slave A2B1: Basic I2C Slave with USI software/hardware support

A2. Software/Hardware support (USI)
B1. Single Write function

This project is identical to the Slave_A1B1 project except that it has an I2C interrupt driver using the USI hardware found on smaller AVR chips that do not have TWI hardware. The USI hardware can be used with a little software support. The interface is identical, so the code is almost the same.

This project provides a minimal I2C Slave that can be used with an Arduino or other board that can act as an I2C Master.
The four wire interface provides VCC, GND, SCL, and SDA signals. Since VCC is supplied by the Master board, this design is compatible with 5v and 3.3v systems provided that the AVR chip supports the voltage level. (2.7v-5.0v) or (1.8v-5.0v).
The software is designed to run with a Slave using an 8 MHz CPU clock (uncheck the CKDIV8 fuse when programming). No adjustment is needed to support the Master provided 100 kHz or 400 kHz SCL clock speeds. However, if a different CPU clock is used, it must be at least 16 times the SCL clock.
The software is compatible with Atmel Studio 6.2 and is written in 'C'.

Hardware

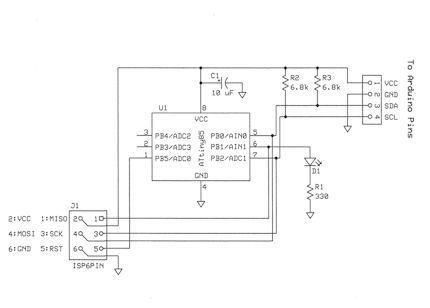
Components for a basic A2+B1 Slave device to turn on an LED using an ATtiny84, ATtiny85, ATtiny2313, or any AVR with a USI hardware section.

Schematic A2B1 Bread Board A2B1
Schematic A2B1 Bread Board A2B1

Parts List

1 Protoboard
1 AVR microcontroller (example ATtiny85)
1 10uF electrolytic capacitor (optional for power filtering)
1 LED
1 390 ohm 1/4 watt resistor
2 6.8k ohm 1/4 watt resistor
4 Jumper wires for VCC, GND, SCL, and SDA lines.
1 Arduino UNO

Software Files

After setting up a bare C project in Atmel Studio, copy these files into the source code area and add them to the project.

Copy the code from Slave_A2B1.c into your main.c for the project and build.
Program the AVR chip and connect up the jumper wires to the Arduino board.
The complete Atmel Studio project can also be downloaded from GitHub. Slave A2B1

Load the Arduino_A2B1_demo code into the Arduino IDE and select the board and COM port that you will use. Build and download into the Arduino board.
If the AVR is connected to the Arduino, the LED should blink on and off.

Process Flow: Like most C programs, the process begins with a call to main() to start the program.
The first thing that main() does is initialize the LED hardware pin.
It then calls usiTwiSlaveInit( adrs ) to initialize the USI hardware and software support variables and pass it the I2C address of the Slave. The address is a unique 7-bit value and a different value has to be assigned to each Slave on the I2C bus to prevent conflicts.
Once the hardware is setup, the interrupts are enabled by calling sei() to set the Global Interrupt flag.
Finally, the Slave is activated by calling usiTwiSlaveEnable(). After this point, the Slave will automatically respond to its address and copy data it receives into its Receive FIFO buffer.

The process now enters an infinite WHILE loop. This simple loop continually checks for data in the Receive FIFO Buffer by calling usiTwiDataInReceiveBuffer() and checking for a TRUE return value.
When the IF statement evaluates true, then one byte of data is read from the buffer and evaluated by the next IF statement.
If the data is 0, then the LED hardware is cleared to 0 to turn the LED off. Otherwise (for any value other than 0), the LED hardware is set to 1 to turn the LED ON.

If the LED does not blink, check wiring and that the Slave address being sent by the Master is the same as the one the Slave is set to. Unfourtunatly, an oscilloscope is needed to troubleshoot farther than code inspection and wiring checks.

Now that this project is working, it provdes a baseline of operations.
  1. The Arduino Master can send data to the AVR Slave at the specified I2C address.
  2. The data can be read by the AVR to perform some action. (i.e. control an LED)
  3. The hardware is wired correctly for I2C communications.