Emote 8x8 Display Project
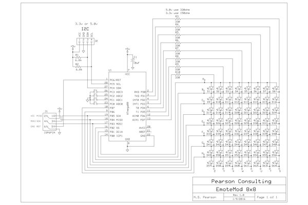
Em 8x8 Schematic
Tn1View - Em 8x8 Schematic Tn2View - Em 8x8 boards Tn3View - Em 8x8 mounted on Tank Bot
Name: Em 8x8 Display
CPU: ATmega88P
Status: Alpha operational.
Summary: The Em 8x8 module an I2C Slave to provide an 8x8 LED emotion display for a robot.

Specifications
Dimensions: 1.7" x 1.7" x 1.0" (assembled)
Power: 3.3 - 5.0 VDC supplied from I2C Master
Software Project folder

Description

The EM 8x8 is an I2C Slave module designed to be an emote display for showing a robots internal character and/or emotional state. It includes a large collection of icons or emotes and most of the ANSII characters for displaying text messages.
The message protocol also allows the Master to download custom 8x8 icons for immediate display.
Future enhancements will allow it to store custom icons in EEPROM, allow markee type scrolling, animation support for icon sequence lists, and other features not thought of yet.
The hardware design allows it to be used with 3.3v and 5.0v systems since the Master supplies VCC. The average current draw for random displays is from 15 to 20 ma with a maximum of 47 ma when all LED are active.

Features